Tunnelstandarder¶
Använd denna dialog för att definiera tunnelns parametriska beskrivning baserat på standarder.
Var hittar jag dialogen?¶
På verktygslådan, välj SFI-modell - Tunnel - Parametrisk beskrivning - Standarder.
Standarden definierar flera olika tunnelsektioner, T4–T14.0. Tabellen nedan ger geometriska mått för de olika tunnelsektionerna.
| Sektion | Total bredd (BT) | Körbanbredd (Bk) | Centeravstånd väggradier (X) | Centerhöjd väggradier (Yv) | Väggradie (Rv) | Centerhöjd hängradie (Yh) | Hängradie (Rh) |
|---|---|---|---|---|---|---|---|
| T4 | 4.0 | 3.0 | - | - | - | 1.330 | 2.400 |
| T5.5 | 5.5 | 3.5 | 3.402 | 1.77 | 4.79 | 3.171 | 2.587 |
| T8.5 | 8.5 | 6.5 | 0.402 | 1.77 | 4.79 | 1.981 | 4.500 |
| T11.5 | 11.5 | 9.5 | 2.598 | 1.77 | 4.79 | -0.258 | 7.199 |
| T7.5 | 7.5 | 5.0 | 1.550 | 1.57 | 4.79 | 2.481 | 3.594 |
| T9.5 | 9.5 | 7.0 | 0.450 | 1.57 | 4.79 | 1.213 | 5.212 |
| T10.5 | 10.5 | 8.0 | 1.450 | 1.57 | 4.79 | 0.664 | 5.950 |
| T12.5 | 12.5 | 10.0 | 3.450 | 1.57 | 4.79 | -0.466 | 7.458 |
| T13.0 | 13.0 | 10.5 | 3.950 | 1.57 | 4.79 | -0.735 | 7.825 |
| T13.5 | 13.5 | 11.0 | 4.450 | 1.57 | 4.79 | -0.817 | 8.053 |
| T14.0 | 14.0 | 11.5 | 4.950 | 1.57 | 4.79 | -1.294 | 8.575 |
Figurerna nedan visar vad måtten refererar till.
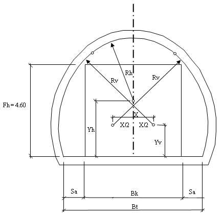
Tunnelsektion T4–T8.5¶

Figur: Fh = Fri höjd, Sa = Sidoarea, Bk = Körbanbredd, Bt = Totalbredd
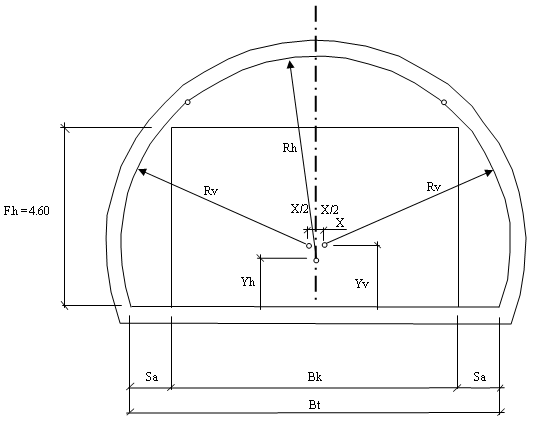
Tunnelsektion T9.5–T14.0¶

Figur: Fh = Fri höjd, Sa = Sidoarea, Bk = Körbanbredd, Bt = Totalbredd