Tunnel Standards¶
Use this dialog to define the tunnel's parametric description based on standards.
Where can I find the dialog?¶
In the toolbox, select SFI Model - Tunnel - Parametric Description - Standards.
The standard defines several different tunnel profiles, T4–T14.0. The table below provides geometric dimensions for the various tunnel profiles.
| Profile | Total Width (BT) | Carriageway Width (Bk) | Center Distance Wall Radii (X) | Center Height Wall Radii (Yv) | Wall Radius (Rv) | Center Height Crown Radius (Yh) | Crown Radius (Rh) |
|---|---|---|---|---|---|---|---|
| T4 | 4.0 | 3.0 | - | - | - | 1.330 | 2.400 |
| T5.5 | 5.5 | 3.5 | 3.402 | 1.77 | 4.79 | 3.171 | 2.587 |
| T8.5 | 8.5 | 6.5 | 0.402 | 1.77 | 4.79 | 1.981 | 4.500 |
| T11.5 | 11.5 | 9.5 | 2.598 | 1.77 | 4.79 | -0.258 | 7.199 |
| T7.5 | 7.5 | 5.0 | 1.550 | 1.57 | 4.79 | 2.481 | 3.594 |
| T9.5 | 9.5 | 7.0 | 0.450 | 1.57 | 4.79 | 1.213 | 5.212 |
| T10.5 | 10.5 | 8.0 | 1.450 | 1.57 | 4.79 | 0.664 | 5.950 |
| T12.5 | 12.5 | 10.0 | 3.450 | 1.57 | 4.79 | -0.466 | 7.458 |
| T13.0 | 13.0 | 10.5 | 3.950 | 1.57 | 4.79 | -0.735 | 7.825 |
| T13.5 | 13.5 | 11.0 | 4.450 | 1.57 | 4.79 | -0.817 | 8.053 |
| T14.0 | 14.0 | 11.5 | 4.950 | 1.57 | 4.79 | -1.294 | 8.575 |
The figures below show what the dimensions refer to.
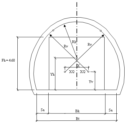
Tunnel Profile T4–T8.5¶

Figure: Fh = Free height, Sa = Side area, Bk = Carriageway width, Bt = Total width
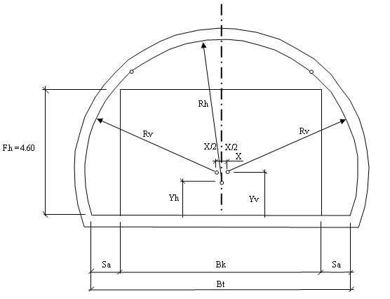
Tunnel Profile T9.5–T14.0¶

Figure: Fh = Free height, Sa = Side area, Bk = Carriageway width, Bt = Total width